工艺流程图

概述 DESCRIPTIONS
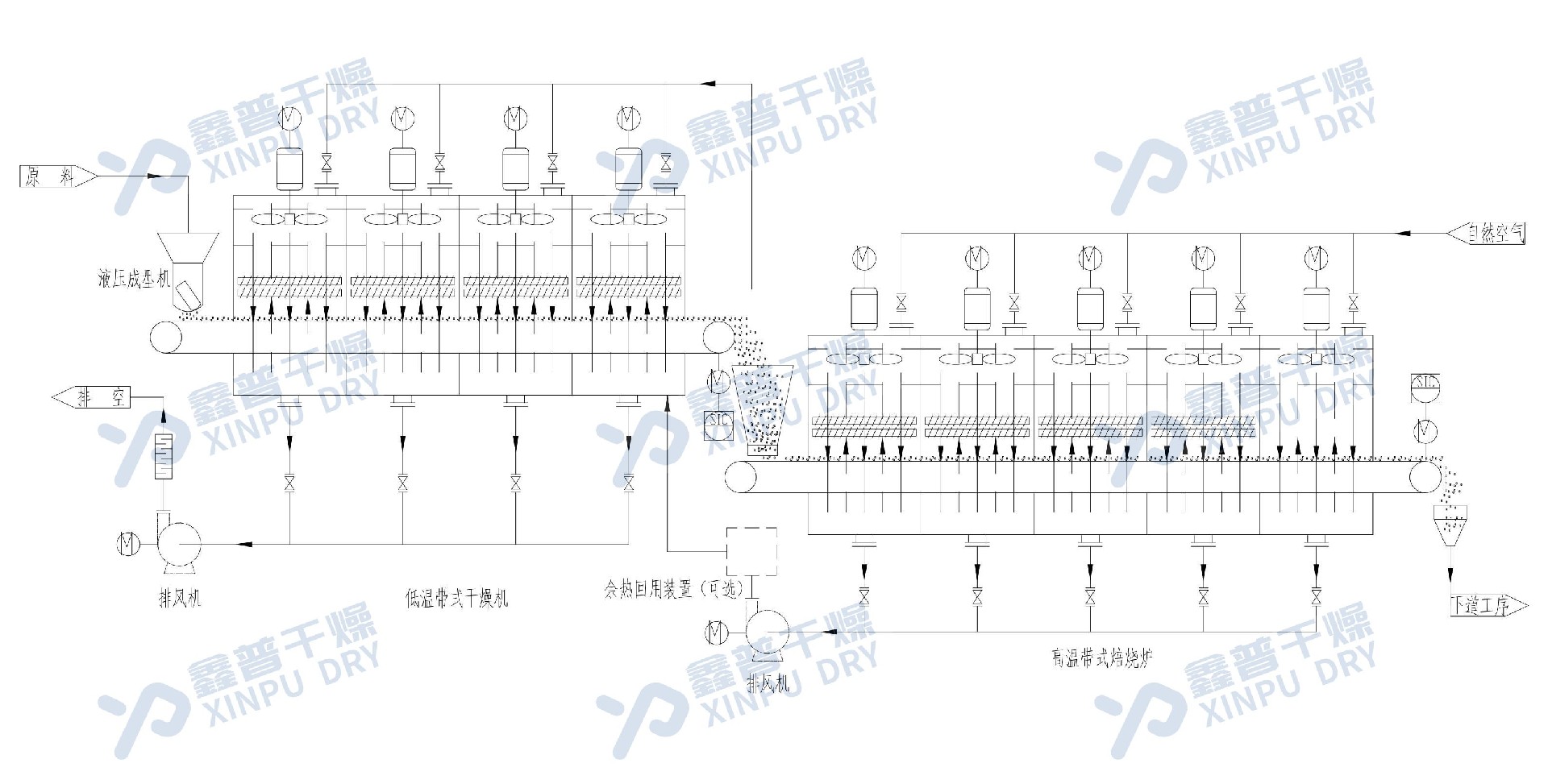
催化剂滤料通过成型机(液压挤条机)成型(直径和长度可调的短条状)后,均匀平铺在低温带式干燥机网带上(铺料厚度可调),低温带机通过蒸汽加热或电加热提供的热量对物料进行预干燥,干燥时间可调。干燥后物料通过输送机或高低位落差落入高温带式焙烧炉内,焙烧炉布料结构将物料均匀平铺在网带上,高温带机通过天燃气加热(尾气可回收利用)或电加热提供的热量对物料进行焙烧,高温带式焙烧炉后端配有冷却段,冷却后的物料可直接包装或转入下道工序。
特点 FEATURES
◎干燥机及焙烧炉均采用穿流技术,提高了生产效率,降低能耗。
◎引进国外先进的纠偏装置,提高了焙烧炉运行的稳定性,提高了网带寿命。
◎物料与热风接触比表面积大,传热系数高。
◎水分迁移距离短,加热均匀,物料干燥均匀。
◎比传统带式干燥机及带式焙烧炉节能约30%。

